|
GGB16AA滑块、GGB20AA滑块、GGB20AAL滑块、GGB25IAA滑块、GGB25IAAL滑块、GGB25IIAA滑块、GGB25IIAAL滑块、GGB30AA滑块、GGB30AAL滑块、GGB35AA滑块、GGB35AAL滑块、GGB45IAA滑块、GGB45IAAL滑块、GGB45IIAA滑块、GGB45IIAAL滑块、GGB55AA滑块、GGB55AAL滑块、GGB65AA滑块、GGB65AAL滑块、GGB85AA滑块、GGB85AAL滑块
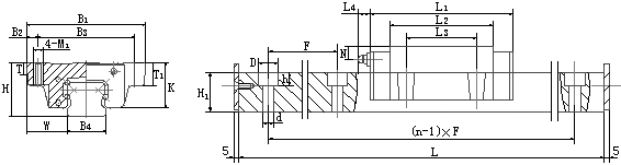
| 型号 |
H |
W |
K |
B1 |
L1 |
B3 |
L3 |
M1 |
T |
T1 |
B2 |
L2 |
B4 |
H1 |
dxDxh |
F |
Lmax |
L4 |
G |
N |
| GGB16AA |
24 |
15.5 |
19.4 |
47 |
58.5 |
38 |
30 |
M5 |
7 |
11 |
4.5 |
40.5 |
16 |
15 |
4.5x7.5x5.3 |
60 |
6000 |
2.5 |
Φ4 |
4 |
| GGB20AA |
30 |
21.5 |
24 |
63 |
71 |
53 |
40 |
M6 |
10 |
10 |
5 |
50 |
20 |
18 |
6x9.5x8.5 |
60 |
6000 |
11 |
M6 |
6 |
| GGB20AAL |
30 |
21.5 |
24 |
63 |
87 |
53 |
40 |
M6 |
10 |
10 |
5 |
66 |
20 |
18 |
6x9.5x8.5 |
60 |
6000 |
11 |
M6 |
6 |
| GGB25 I AA |
37 |
23.5 |
29.8 |
70 |
83 |
57 |
45 |
M8 |
10 |
16 |
6.5 |
59 |
23 |
22 |
7x11x9 |
60 |
6000 |
11 |
M6 |
7.2 |
| GGB25 I AAL |
37 |
23.5 |
29.8 |
70 |
102 |
57 |
45 |
M8 |
10 |
16 |
6.5 |
78 |
23 |
22 |
7x11x9 |
60 |
6000 |
11 |
M6 |
7.2 |
| GGB25 II AA |
36 |
23.5 |
28.8 |
70 |
83 |
57 |
45 |
M8 |
10 |
16 |
6.5 |
59 |
23 |
22 |
7x11x9 |
60 |
6000 |
11 |
M6 |
7.2 |
| GGB25 II AAL |
36 |
23.5 |
28.8 |
70 |
102 |
57 |
45 |
M8 |
10 |
16 |
6.5 |
78 |
23 |
22 |
7x11x9 |
60 |
6000 |
11 |
M6 |
7.2 |
| GGB30AA |
42 |
31 |
35 |
90 |
97 |
72 |
52 |
M10 |
10 |
18 |
9 |
70 |
28 |
26 |
9x14x12 |
80 |
6000 |
11 |
M6 |
7 |
| GGB30AAL |
42 |
31 |
35 |
90 |
119 |
72 |
52 |
M10 |
10 |
18 |
9 |
92 |
28 |
26 |
9x14x12 |
80 |
6000 |
11 |
M6 |
7 |
| GGB35AA |
48 |
33 |
38 |
100 |
109 |
82 |
62 |
M10 |
13 |
21 |
9 |
81 |
34 |
29 |
9x14x12 |
80 |
6000 |
11 |
M6 |
8 |
| GGB35AAL |
48 |
33 |
38 |
100 |
133 |
82 |
62 |
M10 |
13 |
21 |
9 |
105 |
34 |
29 |
9x14x12 |
80 |
6000 |
11 |
M6 |
8 |
| GGB45 I AA |
62 |
37.5 |
51 |
120 |
137 |
100 |
80 |
M12 |
15 |
25 |
10 |
102 |
45 |
38 |
14x20x16 |
100 |
6000 |
11 |
M6 |
12 |
| GGB45 I AAL |
62 |
37.5 |
51 |
120 |
165 |
100 |
80 |
M12 |
15 |
25 |
10 |
130 |
45 |
38 |
14x20x16 |
100 |
6000 |
11 |
M6 |
12 |
| GGB45 II AA |
60 |
37.5 |
49 |
120 |
137 |
100 |
80 |
M12 |
15 |
25 |
10 |
102 |
45 |
38 |
14x20x16 |
105 |
6000 |
11 |
M6 |
12 |
| GGB45 II AAL |
60 |
37.5 |
49 |
120 |
165 |
100 |
80 |
M12 |
15 |
25 |
10 |
130 |
45 |
38 |
14x20x16 |
105 |
6000 |
11 |
M6 |
12 |
| GGB55AA |
70 |
43.5 |
57 |
140 |
161 |
116 |
95 |
M14 |
20 |
29 |
12 |
118 |
53 |
44 |
16x23x20 |
120 |
6000 |
14 |
M8x1 |
12 |
| GGB55AAL |
70 |
43.5 |
57 |
140 |
199 |
116 |
95 |
M14 |
20 |
29 |
12 |
156 |
53 |
44 |
16x23x20 |
120 |
6000 |
14 |
M8x1 |
12 |
| GGB65AA |
90 |
53.5 |
76 |
170 |
199 |
142 |
110 |
M16 |
23 |
37 |
14 |
147 |
63 |
53 |
18x26x22 |
150 |
6000 |
14 |
M8x1 |
12 |
| GGB65AAL |
90 |
53.5 |
76 |
170 |
259 |
142 |
110 |
M16 |
23 |
37 |
14 |
207 |
63 |
53 |
18x26x22 |
150 |
6000 |
14 |
M8x1 |
12 |
| GGB85AA |
110 |
65 |
94 |
215 |
247 |
185 |
140 |
M20 |
30 |
55 |
15 |
179 |
85 |
65 |
24x35x28 |
180 |
6000 |
14 |
M8x1 |
14 |
| GGB85AAL |
110 |
65 |
94 |
215 |
304 |
185 |
140 |
M20 |
30 |
55 |
15 |
236 |
85 |
65 |
24x35x28 |
180 |
6000 |
14 |
M8x1 |
14 |
|