8767.com 南京轴承厂 南京轴承有限公司 南京哈宁轴承制造有限公司
设为首页 加入收藏夹 联系我们
电话:025-52217447、86629730 QQ:349831866
图文传真:025-52300551 联系人:刘长岭 13801591302
首页 | 产品大全 | 贸易知识 | 技术知识 | 轴承知识 | 行业新闻 | 国内新闻 | 哈宁新闻 | 样本下载 | 轴承样本 | 现货信息 | 供应信息 | 价格信息 | 营业执照 | 企业商标 | 汇款资料 | 产品介绍 | 联系我们 | 价格表 | 论坛 |
搜索:

免费电话:138 0159 1302

您现在的位置是:首页 --->产品大全
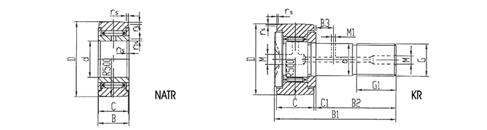
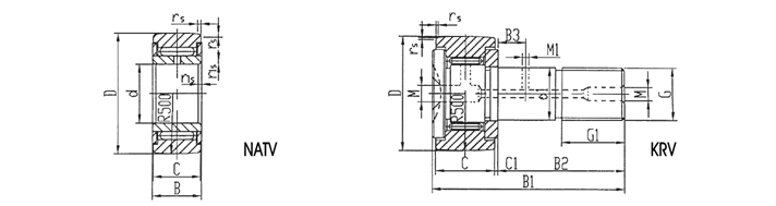
KRV26滚轮轴承、KRV26A滚轮轴承、KRV30滚轮轴承、KRV32滚轮轴承

  • 轻系列带螺栓滚轮滚针轴承外形尺寸

轴承型号

D

d1

C

B1

B2

B3

G

G1

M

M1

C1

rsmin

KR

KRV

KR22

KRV22

22

10

12

36

23

-

M10x1.25

12

4

-

0.6

0.3

KR22A

KRV22A

22

10

12

36

23

-

M10x1

12

4

-

0.6

0.3

KR26

KRV26

26

10

12

36

23

-

M10x1.25

12

4

-

0.6

0.3

KR26A

KRV26A

26

10

12

36

23

-

M10x1

12

4

-

0.6

0.3

KR30

KRV30

30

12

14

40

25

6

M12x1.5

13

6

3

0.6

0.6

KR32

KRV32

32

12

14

40

25

6

M12x1.5

13

6

3

0.6

0.6

KR35

KRV35

35

16

18

52

32.5

8

M16x1.5

17

6

3

0.8

0.6

KR40

KRV40

40

18

20

58

36.5

8

M18x1.5

19

6

3

0.8

1.0

KR547

KRV47

47

20

24

66

40.5

9

M20x1.5

21

8

4

0.8

1.0

KR52

KRV52

52

20

24

66

40.5

9

M20x1.5

21

8

4

0.8

1.0

KR62

KRV62

62

24

29

80

49.5

11

M24x1.5

25

8

4

0.8

1.0

KR72

KRV72

72

24

29

80

49.5

11

M24x1.5

25

8

4

0.8

1.0

KR80

KRV80

80

30

35

100

63

15

M30x1.5

32

8

4

1.0

1.0

  • 重系列带螺栓滚轮滚针轴承外形尺寸

轴承型号

D

d1

C

B1

B2

B3

G

G1

C1

rsmin

KR

KRV

KR19 10

KRV19 10

19

10

11

34

22

-

M10x1.25

12

0.5

0.3

KR240 12

KRV24 12

24

12

14

41

26

-

M12x1.5

14

0.5

0.3

KR30 14

KRV32 14

32

14

17

48

30

7

M14x1.5

16

0.5

0.6

KR37 16

KRV37 16

37

16

20

56

35

8

M16x1.5

18

0.5

1

KR42 20

KRV42 20

42

20

22

65

41

10

M20x1.5

21

1

1

KR47 24

KRV47 24

47

24

25

75

48

11

M24x1.5

25

1

1

KR58 30

KRV58 30

58

30

32

93

59

14

M30x1.5

30

1

1

KR72 36

KRV72 36

72

36

38

116

76

17

M36x3

41

1

1

KR85 42

KRV85 42

85

42

46

125

87

20

M42x3

46

1

1.5

KR100 48

KRV100 48

100

48

54

156

100

23

M48x3

53

1

1.5

KR110 56

KRV110 56

110

56

61

178

115

-

M56X4

61

1

2

KR125 64

KRV125 64

125

64

69

200

129

-

M64x4

68

1

2

KR140 72

KRV140 72

140

72

76

222

143

-

M72x4

73

2

2.5

KRV26滚轮轴承、KRV26A滚轮轴承、KRV30滚轮轴承、KRV32滚轮轴承
生产厂家:南京哈宁轴承制造有限公司 - Nanjing Haning Bearing Manufacturing Co., Ltd.
工厂地址:江苏省南京市雨花台区铁心桥街道马家店村
办公地址:江苏省南京市莫愁路99号
销售地址:江苏省南京市摸愁路90-3号 / 电话:025-86622491 / 联系人:刘献宁 18661202794
联系电话:025-86629730、52217447、52251441
公司传真:025-52300551
联 系 人:刘长岭 13801591302 / 13390763399 / 13809006760
联系邮件:hrbn@vip.qq.com / hrbn@hrbnbearing.com / 13801591302@139.com
开户银行:中国工商银行南京朝天宫支行 / 帐号:4301021409100005958 / 行号:102301001254
个人汇款:开户行:中国农业银行南京白下支行 / 账号:6228460390011617510 / 户名:刘长岭
产品分类
  微型深沟球轴承   深沟球轴承   调心球轴承   圆柱滚子轴承   调心滚子轴承   滚针轴承   角接触球轴承
  圆锥滚子轴承   推力球轴承   平面滚子轴承   偏心轴承   直线轴承   含油轴承   杆端轴承
  滚轮轴承   不锈钢轴承   叉车轴承   单向轴承   导轨滑块   组合轴承   英制球轴承
  汽车轴承   塑料轴承   高温轴承   关节轴承   滑动轴承座   外球面轴承   部分式轴承座
  紧定套   退卸套   外球面轴承座   外球面轴承带座   胀套   分离轴承   推力滚子轴承
  丝杠轴承   交叉滚子轴承   罗拉轴承   滚珠丝杆   转盘轴承   十字架轴承   双列球轴承
  钻具轴承   直线滑块   冲压轴承座   滚柱交叉导轨   推力调心滚子轴承   轴承技术参数   非标轴承
  长圆柱滚子轴承   推力关节轴承   锌合金轴承座   轴承型号对照表   轴承座框架   英制圆锥滚子轴承   双列满滚子轴承
  直线轴承支撑   退卸套附件   水泵轴承   轴承附件   串联轴承   万向节   输送机专用轴承座
  回转支承   逆止器   弹性膜片联轴器   在线支付   滚动花键副   滚珠丝杠副   滚动直线导套副
  轴承加热器   薄壁角接触球轴承   薄壁深沟球轴承   台湾ABBA   韩国SBC   台湾HIWIN   韩国SAMICK
  台湾HSK   台湾CPC   韩国JMC   台湾TAC   德国STAR   瑞典SKF   NACHI轴承
  TBI滚珠丝杠   LSK导轨滑块   NSK哈宁轴承
关于我们 - 设为首页 - 加入收藏 - 营业执照 - 企业商标 - 汇款资料 - 产品介绍 - 联系我们 - 友情连接 -
单位汇款资料:南京哈宁轴承制造有限公司 开户行及帐号:工行朝天宫分理处4301021409100005958
个人汇款资料:中国农业银行南京白下分行 6228460390011617510 刘长岭 苏ICP备16004265号-1